一、i-Tork電動法蘭球閥特點
i-Tork電動法蘭球閥是部分旋轉類球閥,旋轉90°即可全關全開,與相同規格的閘閥和截止閥比較,球閥體積小、重量輕、功能強大、可靠性高、便于管道安裝等。密封性能優良,流通能力大,流阻系數小,結構簡單、維修方便、使用壽命長。閥體通道和連接管徑相等并成一直徑,介質幾乎可以毫無損失的流過。電動球閥通常用于密封要求嚴格的場合,除控制氣體、液體、蒸汽介質外,還適宜控制污水和含有纖維性雜質的介質。
球閥是一種重要的閥類,在石油化工和長輸管線等領域有廣泛應用。它的關閉件是一個帶孔的部分球體,球體隨閥桿轉動,實現閥門的開啟或關閉。流向可任意,可調范圍廣,能用于高壓和大口徑場合,控制高粘度,帶有纖維和細顆粒的介質。
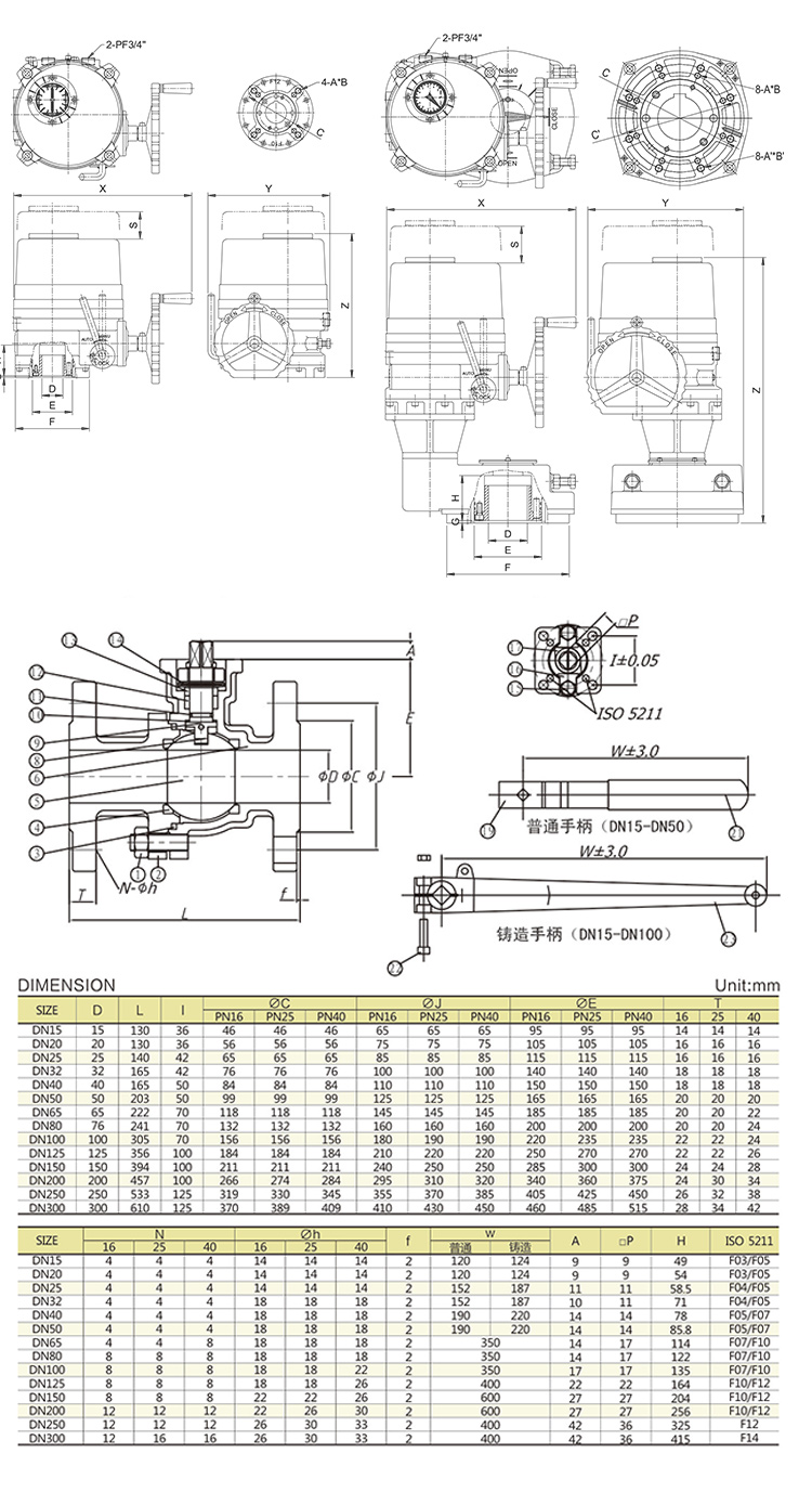
二、i-Tork電動法蘭球閥執行器產品細節
1、外部機械限位螺栓
在電子限位開關失靈的情況下,防止執行器超行程運行。電纜接口:標準2個PF3/4(最大1)
2、扭矩開關
過載保護,開/關各1個
3、接線端子
彈簧鎖緊型,接線牢固,在強振動環境中也不會脫落
產品特點
1、體積小 重量輕占空比高。
2、與行星齒輪相結合,效率高。
3、適用于開關型小型球閥/旋塞閥和擋板自動化控制。
4、電機特殊設計的感應電機,啟動扭矩高,有過熱保護。
