氣動高溫球閥具有性能穩定、密封可靠、磨擦力小、開關輕便、耐高溫、耐磨、耐油、耐腐蝕、使用壽命長等優點。廣泛用于石油、化工、橡膠、造紙、制藥等行業,可替代截止閥、柱塞閥、快速排污閥。適用介質:水、蒸汽、導熱油等酸類介質。
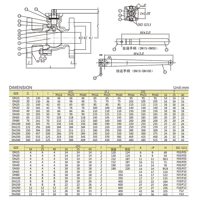
球閥是一種重要的閥類,在石油化工和長輸管線等領域有廣泛應用。它的關閉件是一個帶孔的部分球體,球體隨閥桿轉動,實現閥門的開啟或關閉。流向可任意,可調范圍廣,能用于高壓和大口徑場合,控制高粘度,帶有纖維和細顆粒的介質。
氣動高溫球閥 執行器產品特點
1、硬質陽極氧化處理
氣缸采用高強度鋁合金材料,經過硬質陽極氧化處理,韌性高,不易留下劃痕
2、烤漆設計
兩端端蓋經過烤漆工藝處理,不易脫落,更好的保護缸體
3、耐腐蝕
耐腐蝕性能強,使用壽命更長久
4、流阻小
全通徑球閥,球閥流體阻力小,采用全通徑基本沒有流阻
5、專業性強
廣泛應用于石油、冶金、電力、水利、新能源等工況
6、標準鑄造
標準鑄造,鏈接支架,更精準,無間隙
7、標準化
國標,美標,日標
